Tubular Technology Overview
The foundational idea of Tubular is that explicit physical simulation is preferable to implicit modeling (amp profilers, neural nets.) These approaches always involve a certain amount of guesswork, interpolation, and shoehorning a real amp into the structures that the simulator understands.
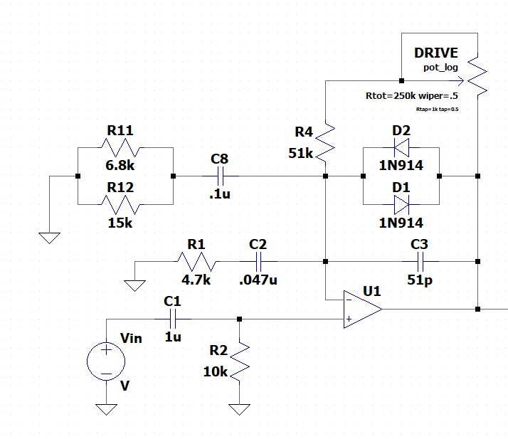
Tubular is Mod Sound's best effort to capture every sonic behavior of guitar amplifiers from the ground up - networks of resistors, capacitors, inductors, tubes, and transformers are solved in full detail for every audio sample. This allows us to approach perfect emulation of circuit behaviors for all input signals, in all knob positions, across all operating conditions.
